





Geschwindigkeitsregler 3 Phase 14 Amp
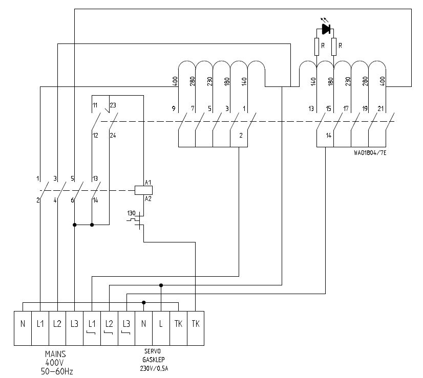
Unser Geschwindigkeitsregler 3 Phase 14 Amp ist die perfekte Lösung für Gastronomiebetriebe, die eine präzise und zuverlässige Steuerung ihrer Küchengeräte benötigen. Mit diesem leistungsstarken Regler können Sie die Geschwindigkeit Ihrer Küchengeräte wie Mixer, Rührmaschinen und andere elektrische Geräte präzise steuern, um optimale Ergebnisse zu erzielen.
Zuverlässige Leistung
Der Geschwindigkeitsregler 3 Phase 14 Amp bietet eine zuverlässige Leistung und sorgt dafür, dass Ihre Küchengeräte reibungslos und effizient arbeiten. Mit einer Leistung von 14 Ampere und einer 3-Phasen-Steuerung können Sie sicher sein, dass Ihre Geräte immer die benötigte Leistung erhalten.
Präzise Steuerung
Dank der präzisen Steuerung des Reglers können Sie die Geschwindigkeit Ihrer Küchengeräte genau an Ihre Anforderungen anpassen. Egal, ob Sie eine langsame Mischgeschwindigkeit für Teig oder eine schnelle Geschwindigkeit für das Schlagen von Eiweiß benötigen, mit unserem Geschwindigkeitsregler können Sie die perfekte Einstellung vornehmen.
Einfache Installation
Die Installation des Geschwindigkeitsreglers ist denkbar einfach und kann von einem Fachmann schnell durchgeführt werden. Sobald der Regler installiert ist, können Sie sofort von seiner präzisen Steuerung und zuverlässigen Leistung profitieren.
Technische Eigenschaften
EAN code | 7435137860839 |
Breite (mm) | 500 |
Tiefe (mm) | 400 |
Höhe (mm) | 260 |
Bruttogewicht (kg) | 40 |
Spannung (Volt) | 400 |
FAQ - Häufig gestellte Fragen
Wie funktioniert ein Geschwindigkeitsregler für 3 Phasen mit 14 Ampere?
Ein Geschwindigkeitsregler für 3 Phasen mit 14 Ampere funktioniert, indem er die Spannung und Frequenz des Stroms reguliert, der an den Motor oder die Maschine angeschlossen ist. Dadurch kann die Geschwindigkeit des Motors oder der Maschine gesteuert werden.
Wofür wird ein Geschwindigkeitsregler für 3 Phasen mit 14 Ampere verwendet?
Ein Geschwindigkeitsregler für 3 Phasen mit 14 Ampere wird verwendet, um die Geschwindigkeit von Motoren oder Maschinen in industriellen Anwendungen zu kontrollieren. Dies kann dazu beitragen, die Effizienz und Leistungsfähigkeit der Anlagen zu verbessern.
Welche Sicherheitsvorkehrungen sind beim Einsatz eines Geschwindigkeitsreglers für 3 Phasen mit 14 Ampere zu beachten?
Beim Einsatz eines Geschwindigkeitsreglers für 3 Phasen mit 14 Ampere ist es wichtig, die elektrischen Vorschriften und Sicherheitsstandards einzuhalten. Dazu gehören die richtige Installation, regelmäßige Wartung und die Verwendung von Schutzvorrichtungen wie Sicherungen und Schutzschaltern.
Kann ein Geschwindigkeitsregler für 3 Phasen mit 14 Ampere mit verschiedenen Motorentypen verwendet werden?
Ja, viele Geschwindigkeitsregler für 3 Phasen mit 14 Ampere sind vielseitig einsetzbar und können mit verschiedenen Motorentypen wie Asynchronmotoren, Synchronmotoren oder Servomotoren verwendet werden. Es ist jedoch wichtig, die Kompatibilität des Reglers mit dem jeweiligen Motorentyp zu überprüfen.
Welche Vorteile bietet ein Geschwindigkeitsregler für 3 Phasen mit 14 Ampere?
Ein Geschwindigkeitsregler für 3 Phasen mit 14 Ampere bietet die Möglichkeit, die Geschwindigkeit von Motoren oder Maschinen präzise zu steuern, was zu einer verbesserten Prozesskontrolle, Energieeinsparungen und einer längeren Lebensdauer der Anlagen führen kann.
- Sara Rosa, 21.06.2024
Zur Rezension